location_pin Get Directions
451 Fairbairn Road, Bobcaygeon, Ontario, Canada K0M 1A0
 

Hisun PArts

Overview
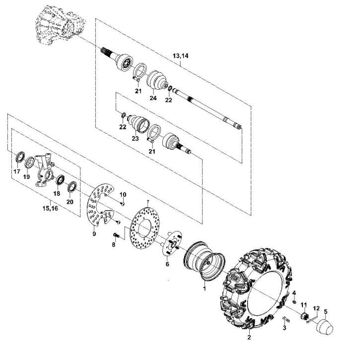
Rubber Dust-Cover F of #:DRIVE TRAIN - FRONT AXLE
Contact Information

 Contact Information

Hisun Parts


  NULL ,

Location