location_pin Get Directions
451 Fairbairn Road, Bobcaygeon, Ontario, Canada K0M 1A0
 

Hisun PArts

Overview
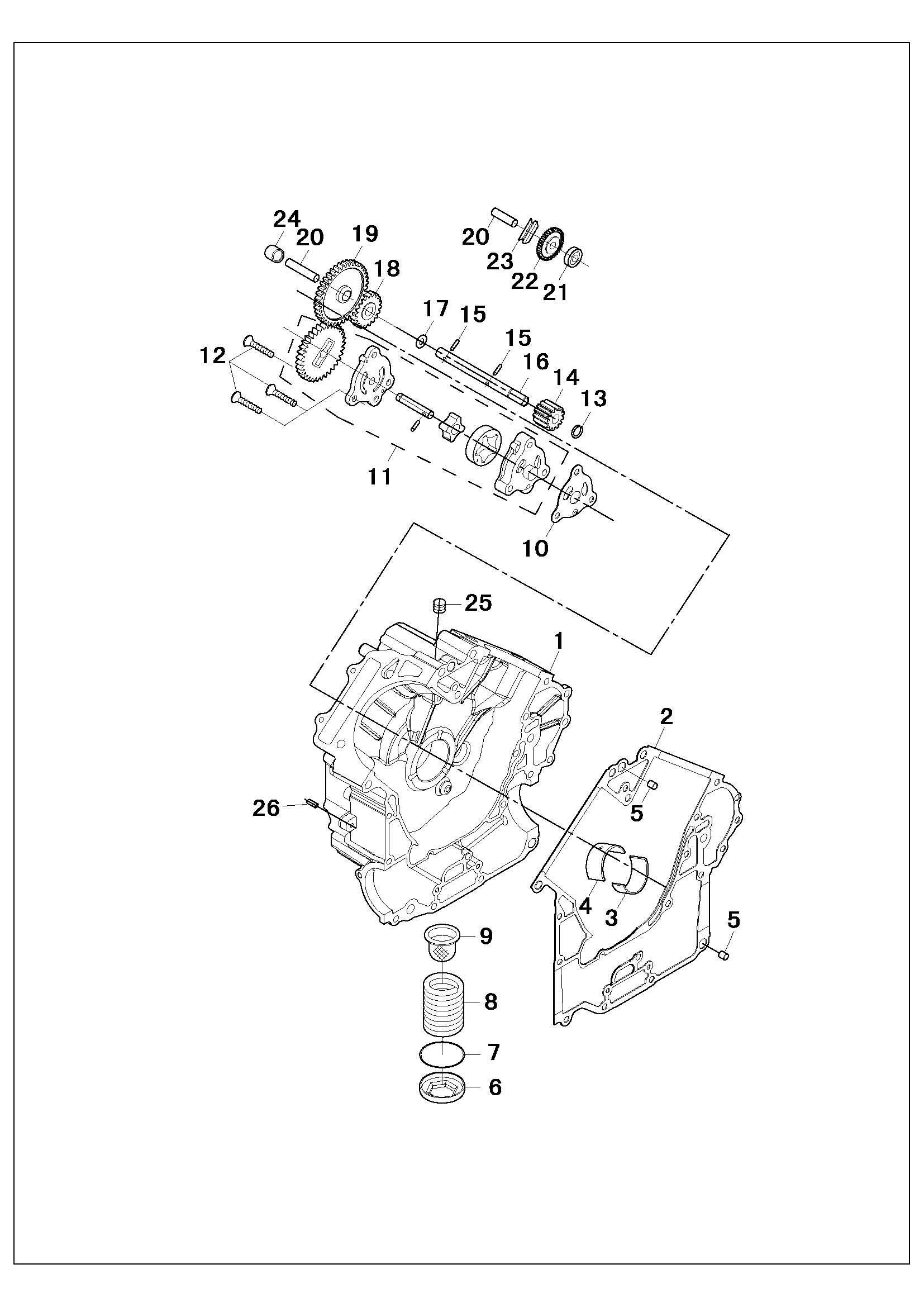
Right Crankcase Assy of #:Engine - OIL PUMP
Contact Information

 Contact Information

Hisun Parts


  NULL ,

Location